Fiche Technologies : Les topologies d'alimentation
Cible: La fiche est destinées principalement aux concepteurs pour leur permettre d'éclairer leur choix non seulement sur des critères techniques de performance (rendement, encombrement, fiabilité...) mais aussi sur des critères liés à l'écoconception comme les choix ou l'impacte des matériaux, la fiabilité. la réparabilité.
1. Topologies classiques petite ou moyenne puissance non isolées
|
1.1. Régulateur Shunt : Abaisseur linéaire |
||||||||
|
|
||||||||
|
Avantage : Simple, temps de réaction rapide, peu bruité Inconvénient : Mauvais rendement -> uniquement pour les faibles puissances La valeur de la tension de sortie fluctue avec la variation du courant de sortie Points particuliers : Dissipation par effet Joule dans R3
|
||||||||
|
Taille |
Nbr comp |
Masse |
Matériaux |
Puissance |
Rendement |
Fiabilité |
Réparabilité |
Coût |
|
+++ |
+++ |
+++ |
+++ |
-- |
--- |
++ |
++ |
-+++ |
|
1.2. LDO : Abaisseur linéaire |
||||||||
|
|
||||||||
|
Avantage : Simple, temps de réaction rapide, peu bruité, précision de la tension de sortie Inconvénient : Mauvais rendement -> uniquement pour les faibles puissances Points particuliers : En fonction de la puissance demandée nécessité de dissipation externe
|
||||||||
|
Taille |
Nbr comp |
Masse |
Matériaux |
Puissance |
Rendement |
Fiabilité |
Réparabilité |
Coût |
|
+++ |
+++ |
+++ |
+++ |
- |
-- |
++ |
++ |
+++ |
|
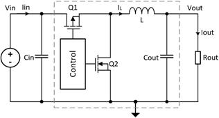
1.3. Buck : Abaisseur à découpage |
|||||||||
|
|
|
||||||||
|
Convertisseur Buck asynchrone |
Convertisseur Buck synchrone |
||||||||
|
Avantage : Assez simple, très bon rendement (90 à 96%) sur les puissances plus élevées Inconvénient : Bruit résiduel du découpage Points particuliers : Meilleur rendement du convertisseur synchrone par rapport à la version asynchrone. Versions avec mode éco ou PFM pour un bon rendement aux faibles courants, mais tension de sortie moins stable. Le circuit peut être utilisé pour réaliser un inverseur (Buck Inverter) et générer des tensions négatives avec un rendement moyen (75 à 85%).
|
|||||||||
|
Taille |
Nbr comp |
Masse |
Matériaux |
Puissance |
Rendement |
Fiabilité |
Réparabilité |
Coût |
|
|
+++ |
+++ |
+++ |
+++ |
++ |
+++ |
++ |
++ |
++ |
|
|
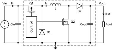
1.4. Boost : Elévateur de tension |
||||||||
|
|
||||||||
|
Avantage : Assez simple, rendement élevé (85 à92%) Inconvénient : Bruit résiduel du découpage et ondulation résiduelle plus élevée en sortie Points particuliers : Version avec mode éco ou PFM pour un bon rendement aux faibles courants, mais tension de sortie moins stable.
|
||||||||
|
Taille |
Nbr comp |
Masse |
Matériaux |
Puissance |
Rendement |
Fiabilité |
Réparabilité |
Coût |
|
+++ |
+++ |
+++ |
+++ |
++ |
++ |
++ |
++ |
++ |
|
1.5 Buck-Boost : Elévateur-Abaisseur de tension |
||||||||
|
|
||||||||
|
Avantage : Le circuit est relativement simple pour les faibles puissances, mais il devient plus complexe pour les fortes puissances, rendement élevé (80 à95%), permet de maintenir la tension de sortie stable pour une tension d’entrée variable. Inconvénient : Bruit résiduel du découpage et ondulation résiduelle en sortie Points particuliers : Version avec mode éco ou PFM pour un bon rendement aux faibles courants, mais ondulation plus importante sur la tension de sortie.
|
||||||||
|
Taille |
Nbr comp |
Masse |
Matériaux |
Puissance |
Rendement |
Fiabilité |
Réparabilité |
Coût |
|
++ |
++ |
++ |
+++ |
++ |
+++ |
++ |
++ |
++ |
|
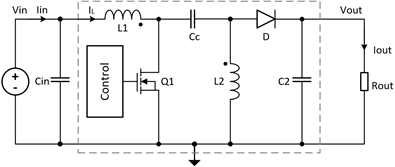
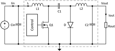
1.6 SEPIC : Elévateur-Abaisseur de tension |
||||||||
|
|
||||||||
|
Avantage : Le circuit est performant jusqu’à environ 50W. (Proches performances d’un Buck-Boost) Mode continu (CCM), filtrage EMI plus simple et moins de stress sur la source Inconvénient : Mode discontinu (DCM), contrainte plus fortes sur les composants et ondulation des sortie plus importantes Contraintes fortes sur le condensateur de couplage Cc. Points particuliers : Applications principales pour les systèmes sur batterie, pour la récupération d’énergie (Energy Harvesting) et pour l’automotive.
|
||||||||
|
Taille |
Nbr comp |
Masse |
Matériaux |
Puissance |
Rendement |
Fiabilité |
Réparabilité |
Coût |
|
+ |
++ |
++ |
+++ |
++ |
++ |
++ |
++ |
++ |
|
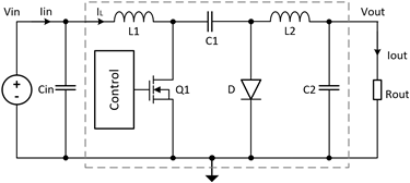
1.7 CUK : Elévateur-Abaisseur inverseur de tension |
||||||||
|
|
||||||||
|
Avantage : Intègre un filtre LC en entrée et en sortie, d’où des courants continus, une faible ondulation et une EMI faible Inconvénient : Plus complexe à mettre en œuvre, peu de composants de pilotage dédiés à la topologie. Points particuliers : Adapté pour les applications sensibles aux EMI. Utilisation dans les alimentations portables, le photovoltaique Une application typique est l’alimentation d’un LiDar pour l’automotive.
|
||||||||
|
Taille |
Nbr comp |
Masse |
Matériaux |
Puissance |
Rendement |
Fiabilité |
Réparabilité |
Coût |
|
++ |
++ |
++ |
+++ |
++ |
++ |
++ |
++ |
++ |
|
1.8 CUK : Elévateur-Abaisseur inverseur de tension |
||||||||
|
|
||||||||
|
Avantage : Intègre un filtre LC en entrée et en sortie, d’où des courants continus, une faible ondulation et une EMI faible Inconvénient : Plus complexe à mettre en œuvre, peu de composants de pilotage dédiés à la topologie. Points particuliers : Adapté pour les applications sensibles aux EMI. Utilisation dans les alimentations portables, le photovoltaïque Une application typique est l’alimentation d’un LiDar pour l’automotive.
|
||||||||
|
Taille |
Nbr comp |
Masse |
Matériaux |
Puissance |
Rendement |
Fiabilité |
Réparabilité |
Coût |
|
++ |
++ |
++ |
+++ |
++ |
++ |
++ |
++ |
++ |
2. Topologies de convertisseur sans inductance (inductorless) faibles puissance
|
2.1 Convertisseur à pompe de charge : élévateur, abaisseur, inverseur |
|||||||||
|
|
|
|
|||||||
|
Elévateur Vout = 2 x Vin |
Abaisseur Vout = Vin / 2 |
Inverseur Vout = - Vin |
|||||||
|
Avantage : Simple, peu de composants, permettent une intégration forte Composants configurables pour les 3 topologies Faible EMI, Rendement moyen (diminue avec le courant de sortie) Inconvénient : Adaptés aux circuits présentant une faible variation de la tension d’entrée. Faible précision sur la tension de sortie et ratio fixe de tension Convient aux applications faible courant (I<200mA) Points particuliers : Application dans les LCD, dans les systèmes mulirails contraints
|
|||||||||
|
Taille |
Nbr comp |
Masse |
Matériaux |
Puissance |
Rendement |
Fiabilité |
Réparabilité |
Coût |
|
|
+++ |
+++ |
+++ |
+++ |
- |
+ |
++ |
++ |
+++ |
|
3. Topologies classiques isolées
|
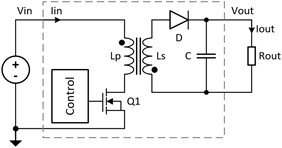
3.1 Convertisseur Flyback : Abaisseur ou élévateur |
||||||||
|
|
||||||||
|
Avantage : Isolation galvanique, possibilité de secondaires multiples Conception simplifiée du transformateur Inconvénient : Stress sur les composants, notamment le switch Pas aussi performant que d’autres topologies pour les fortes puissances Points particuliers : Application dans les adaptateurs muraux pour les applications faible à moyenne puissance, pour les applications faible cout et pour les circuits multi rails
|
||||||||
|
Taille |
Nbr comp |
Masse |
Matériaux |
Puissance |
Rendement |
Fiabilité |
Réparabilité |
Coût |
|
+ |
++ |
++ |
++ |
+ |
+ |
++ |
++ |
++ |
|
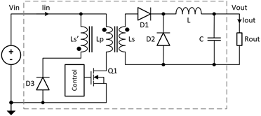
3.2 Convertisseur Forward : Abaisseur ou élévateur |
||||||||
|
|
||||||||
|
Avantage : Rendement élevé, moins de stress sur les composants, meilleure régulation Inconvénient : Plus complexe à concevoir. Nécessite un enroulement de démagnétisation et un circuit LC de filtrage en sortie Points particuliers : Alimentation de puissance (industrielles), équipement télécom
|
||||||||
|
Taille |
Nbr comp |
Masse |
Matériaux |
Puissance |
Rendement |
Fiabilité |
Réparabilité |
Coût |
|
- |
- |
+ |
+++ |
+++ |
+++ |
++ |
++ |
+++ |
|
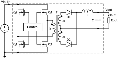
3.3 Convertisseur Half Bridge : Abaisseur ou élévateur |
||||||||
|
|
||||||||
|
Avantage : Rendement élevé pour les puissances moyennes jusqu’à 500W, conception relativement simple, circuit magnétique de petite taille, EMI réduite Inconvénient : Fonctionne à VIN/2 (peut être une limitation), les pertes augmentent à haute fréquence. Courant plus élevés dans les switches que dans la topologie Full Bridge Points particuliers : Alimentation ACDC, contrôle moteur, équipement industriel, véhicules électriques
|
||||||||
|
Taille |
Nbr comp |
Masse |
Matériaux |
Puissance |
Rendement |
Fiabilité |
Réparabilité |
Coût |
|
- |
- |
+ |
+++ |
++ |
+++ |
++ |
++ |
++ |
|
3.4 Convertisseur Full Bridge : Abaisseur ou élévateur |
||||||||
|
|
||||||||
|
Avantage : Rendement élevé (souvent un peu inférieure à la topologie Half Bridge), fonctionne sur la gamme complète de la tension source, stress réparti sur les 4 switches. Inconvénient : Conception et pilotage plus complexe à concevoir. Plus de bruit de commutation, cout plus élevé Points particuliers : Chargeurs de batteries pour véhicules électriques, équipement télécom
|
||||||||
|
Taille |
Nbr comp |
Masse |
Matériaux |
Puissance |
Rendement |
Fiabilité |
Réparabilité |
Coût |
|
- |
- |
+ |
+++ |
+++ |
+++ |
++ |
++ |
+++ |
|
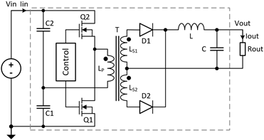
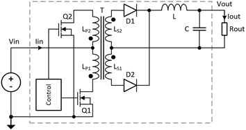
3.5 Convertisseur Push Pull : Abaisseur ou élévateur |
||||||||
|
|
||||||||
|
Avantage : Rendement élevé, capacité de travail à forte puissance Inconvénient : Transformateur à point milieu, un peu complexe à piloter pour assurer la symétrie des signaux et éviter le risque de saturation Points particuliers : Alimentation de puissance (PC, servers), véhicule électrique
|
||||||||
|
Taille |
Nbr comp |
Masse |
Matériaux |
Puissance |
Rendement |
Fiabilité |
Réparabilité |
Coût |
|
- |
- |
+ |
+++ |
+++ |
+++ |
++ |
++ |
+++ |
4. Topologies haute puissance et nouvelles
|
4.1 Convertisseur LLC Résonant : Abaisseur ou élévateur |
||||||||
|
|
||||||||
|
Avantage : La commutation est réalisée pour I ou V proche de 0 dans le switch d’où des pertes réduites, un stress réduit sur les composants et un rendement plus élevé et une émission EMI réduite Inconvénient : Plus complexe à concevoir. Nécessite plusieurs circuits magnétiques Points particuliers : Alimentation de puissance dans les plaques à induction, alimentations portables petites, très fiables, haut rendement et générant de faibles EMI. Convertisseur pour énergie renouvelable.
|
||||||||
|
Taille |
Nbr comp |
Masse |
Matériaux |
Puissance |
Rendement |
Fiabilité |
Réparabilité |
Coût |
|
- |
- |
+ |
+++ |
+++ |
+++ |
+++ |
++ |
+++ |
|
4.2 Convertisseur Partiel : Abaisseur ou élévateur |
||||||||
|
|
||||||||
|
Avantage : Conversion sur une portion de la tension d’entrée, moins de stress sur les composants EMI réduite. Rendement très élevé. Bien adaptée pour les fortes puissances, Inconvénient : Conception complexe, nécessite une alimentation isolée pour le pilotage des switches Points particuliers : Bien adapté pour les systèmes dont la dynamique de tension est limitée comme les batteries en charge et décharge, les fuel cells, pour des applications comme le photovoltaique.
|
||||||||
|
Taille |
Nbr comp |
Masse |
Matériaux |
Puissance |
Rendement |
Fiabilité |
Réparabilité |
Coût |
|
- |
- |
+ |
+++ |
+++ |
+++ |
+++ |
++ |
+++ |



















No comments to display
No comments to display